您好!欢迎进入江苏智热暖通设备有限公司官网 !
关于我们
|
联系我们
15358059891
网站首页
HOME
翅片管换热器
CHIPIANGUAN
暖风机
NUANFENGJI
汽水混合器
HUNHEQI
客户案例
CASE
产品展示
PRODUCTS
SRZ蒸汽散热器
SRL翅片管换热器
SZL烘干散热器
GLⅡ工业散热器
GL翅片管散热器
FUL导热油散热器
TL翅片表冷器
ZRHS回收换热器
NF锅炉暖风器
Q蒸汽暖风机
ZQ蒸汽暖风机
GS热水暖风机
ZRJNQ锅炉节能
汽水混合器
BR板式换热器
关于我们
ABOUT US
新闻动态
NEWS
行业资讯
公司新闻
联系我们
CONTACT US
当前位置:
首页
>>
产品展示
>>
汽水混合器
>>
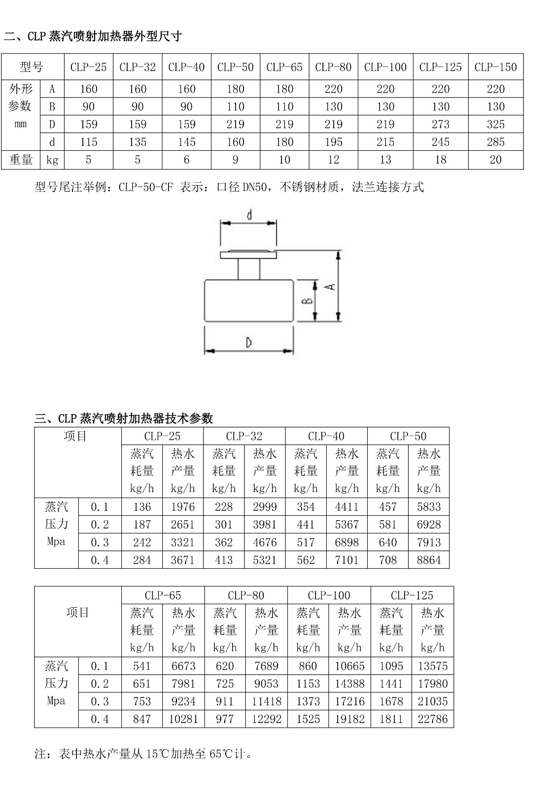
CLP型蒸汽喷射加热器
产品展示
PRODUCTS
SRZ蒸汽散热器
SRL翅片管换热器
SZL烘干散热器
GLⅡ工业散热器
GL翅片管散热器
FUL导热油散热器
TL翅片表冷器
ZRHS回收换热器
NF锅炉暖风器
Q蒸汽暖风机
ZQ蒸汽暖风机
GS热水暖风机
ZRJNQ锅炉节能
汽水混合器
BR板式换热器
联系我们
contact us
全国咨询热线
15358059891
江苏智热暖通设备有限公司
联系人:王经理
手机:15358059891
电话:
0510-87138180
邮箱:
jszhirent@163.com
地址:
江苏省宜兴市环科园竹海路218号
汽水混合器
CLP型蒸汽喷射加热器
上一篇:
QSH管道式汽水混合器
下一篇:
HJ 浸没式汽水混合加热器
版权所有: 江苏智热暖通设备有限公司
备案号:
苏ICP备2024130408号
苏公网安备32028202231864号
技术支持:
江苏百拓信息技术有限公司